Воздухосборник ВСВ – так сокращенно называют вертикальный стальной воздухосборник. Данный тип воздухосборников выпускается в соответствии с чертежами и ТУ 4932-007-45602104-2016 завода-изготовителя.
Вертикальный воздухосборник ВСВ: назначение
Предназначен воздухосборник ВСВ для эксплуатации в системах отопления и водоснабжения, с целью предотвращения образования воздушных пробок. Устройства типа ВСВ устанавливаются в самой высшей точке вертикального участка трубопровода.
Конструктивные особенности и рабочие параметры
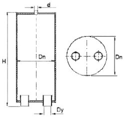
Конструкция изделия представляет собой сосуд цилиндрической формы с плоскими днищами по бокам. Корпус воздухосборника является сварным. В нижнем днище расположены патрубки входа и выхода воды, а в верхнем – воздушник с резьбой для крана отвода воздуха.
Материальное исполнение – сталь 20, сталь 3. Под заказ, возможно применение иных марок стали (09Г2С, нержавеющая сталь).
Диаметр корпуса Дн – от 325 до 426 мм
Условный диаметр патрубков – Ду40, Ду50, Ду65, Ду80, Ду100 мм
Рабочее давление – не более 1,2 МПа
Основные технические характеристики
| Обозначение | Диаметр условного прохода (Dy), мм | Диаметр корпуса (Dn), мм | Строительная длина (L), мм | Диаметр воздушника (d), мм | Масса, кг |
| ВСВ-1 | 40 | 325 | 550 | 15 | 34,5 |
| ВСВ-2 | 50 | 325 | 600 | 37,5 | |
| ВСВ-3 | 65 | 325 | 600 | 37,8 | |
| ВСВ-4 | 80 | 426 | 650 | 63,5 | |
| ВСВ-5 | 100 | 426 | 650 | 64 |
Принцип работы воздухосборника ВСВ
Воздухосборник ВСВ используется в системе отопления или водоснабжения. Проходя, через корпус устройства вода (теплоноситель) замедляет скорость. В результате чего, происходит отделение воздуха от воды. Освободившийся воздух, скапливается в корпусе сосуда и затем удаляется через воздушник, при помощи крана или автоматического клапана. Воздухосборники поставляются без дополнительной арматуры (кран, клапан).
Как выбрать и купить воздухосборник?
Воздухосборники подбираются по следующему принципу. Вначале необходимо определить место установки: если устройство будет устанавливаться на вертикальном участке трубопровода – применяется вертикальный воздухосборник, если на горизонтальном участке – горизонтальный воздухосборник, соответственно. Далее определяют условный диаметр трубопровода. Например, трубопроводу диаметром Ду65 мм – соответствует воздухосборник ВСВ-3 и т.д.
Если у Вас возникла потребность заказать и купить воздухосборник ВСВ, необходимо направить запрос в отдел продаж по координатам на странице КОНТАКТЫ или с помощью формы “ОТПРАВИТЬ ЗАЯВКУ” на сайте.
Вас также может заинтересовать похожая продукция:
|
|


