Подогреватель водоводяной ВВП

Подогреватель водоводяной ВВППодогреватель водоводяной ВВП представляет собой секционный кожухотрубный тепллобменный аппарат. Изготовление данного подогревателя осуществляется по ГОСТ 27590-2005 “Подогреватели кожухотрубные водо-водяные систем теплоснабжения”. Сокращенное обозначение водоводяных подогревателей – ВВП, ПВ, ПВВ.

Принцип работы и основные параметры

Подогреватель водоводяной секционный предназначены для применения в системах отопления и горячего водоснабжения жилых и промышленных помещений. Теплоносителем, в подогревателе ВВП выступает горячая вода, поступающая из магистральных трубопроводов котельных и теплоэнергоцентралей. Конструкция данного подогревателя также может применяться для иных нужд, требующих охлаждения или нагрева различных технологических жидкостей.

Процесс работы водоводяного подогревателя выглядит следующим образом: вода, предназначенная для нагрева движется в подогревателе по трубной системе, а нагревающая вода (теплоноситель) движется ппротивотоком межтрубном пространстве (корпусе) подогревателя. В зависимости от типа исполнения вход и выход нагреваемой воды либо теплоносителя может быть изменен, в зависимости от  потребности Заказчика.

Подогреватели по ГОСТ 27590-2005 выпускаются в виде неразборных блоков-секций со следующими основными рабочими характеристиками:

  • Диаметр корпуса – от 57 до 530 мм.
  • Длина корпуса – 2000 и 4000 мм.
  • Максимальная температура теплоносителя – 150°С.
  • Рабочее давление  – 1,0 МПа; 1,6 МПа.
  • Материал трубной системы – латунь Л68 или нержавеющая сталь 12Х18Н10Т.

Конструкция водоводяных подогревателей

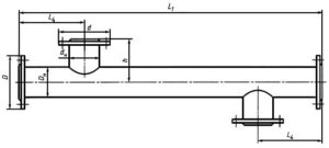
Конструкция секционного подогревателя ВВП состоит из корпуса с патрубками, теплообменных трубок (трубного пучка) и трубных досок. В соответствии с ГОСТ предусмотрено несколько конструктивных исполнений:

Подогреватель ПВ1 - исполнение 1Исполнение 1 Подогреватель ПВ1К - исполнение 2Исполнение 2 Подогреватель ПВ2К - исполнение 3Исполнение 3 Подогреватель ПВ2 - исполнение 4Исполнение 4

Исполнение 1 – Подогреватель водоводяной типа ПВ1 без компенсатора с типовым расположением патрубков.

Исполнение 2 – Подогреватель водоводяной типа ПВ1К с компенсатором и с типовым расположением патрубков.

Исполнение 3 – Подогреватель водоводяной типа ПВ2К с компенсатором и с типовым расположением патрубков.

Исполнение 4 – Подогреватель водоводяной типа ПВ2 без компенсатора и с типовым расположением патрубков.

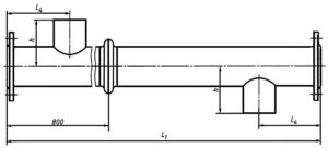
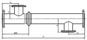
По расположению патрубков подогреватели могут выпускаться типового исполнения (а), правого исполнения (б) и левого исполнения (в).

Подогреватели ГОСТ 27590-2005 - Типы исполненийТипы конструктивных исполнений патрубков: а – типовое, б – правое исполнение, в – левое исполнение

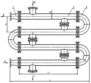
Схема соединения секций подогревателя ПВСхема соединения блока-секций подогревателя ПВ в одну систему: 1 – переход; 2 – блок-секция ПВ1, 3 – калач соединительный

Секции водоводяного подогревателя могут соединяться между собой в одну систему, так называемый змеевик. Пример соединения секций в один подогреватель обозначен на схеме выше. Для соединения секций потребуется дополнительно приобрести калач соединительный. При стыковке подогревателя с трубопроводом если присутствуют различия в условных диаметрах, потребуется дополнительно – переход фланцевый.

Подогреватель водоводяной: технические характеристики

Обозначение Поверхность нагрева 1-й секции, М2 Количество теплообменных труб Ф 16, шт Тепловой поток, кВт Номинальный расход нагреваемой среды, т/ч Масса 1-й секции, кг Масса калача, кг Масса перехода, кг
Подогреватель ВВП 01 (ПВ1 01-57х2000 0,38 4 7,9 4,4 24 5,4 4,4
Подогреватель ВВП 02 (ПВ1 02-57х4000 0,75 17,6 37
Подогреватель ВВП 03 (ПВ1 03-76х2000 0,66 7 13,1 7,8 33 8,9 5,5
Подогреватель ВВП 04 (ПВ1 04-76х4000 1,32 28,3 63
Подогреватель ВВП 05 (ПВ1 05-89х2000 0,94 10 18,2 11,1 40 10,8 6,8
Подогреватель ВВП 06 (ПВ1 06-89х4000 1,88 40,7 65
Подогреватель ВВП 07 (ПВ1 07-114х2000 1,79 19 39,9 21,5 58 16,2 8,5
Подогреватель ВВП 08 (ПВ1 08-114х4000 3,58 85,7 98
Подогреватель ВВП 09 (ПВ1 09-159х2000 3,48 37 74,4 41,0 111 34,8 14,4
Подогреватель ВВП 10 (ПВ1 10-159х4000 6,93 147,5 190
Подогреватель ВВП 11 (ПВ1 11-219х2000 5,76 61 113,4 67,6 173 56,0 19,0
Подогреватель ВВП 12 (ПВ1 12-219х4000 11,51 238,4 302
Подогреватель ВВП 13 (ПВ1 13-273х2000 10,28 107 236,0 120,9 262 81,0 27,3
Подогреватель ВВП 14 (ПВ1 14-273х4000 20,56 479,0 462
Подогреватель ВВП 15 (ПВ1 15-325х2000 14,24 151 302,0 167,3 338 108,0 30,2
Подогреватель ВВП 16 (ПВ1 16-325х4000 28,49 632,0 595
Подогреватель ВВП 17 (ПВ1 17-377х2000 19,8 216 421,7 225,0 430 174,5 49,0
Подогреватель ВВП 18 (ПВ1 18-377х4000 40,1 886,2 766
Подогреватель ВВП 19 (ПВ1 19-426х2000 25,6 283 1028,0 310,0 540 202,0 61,0
Подогреватель ВВП 20 (ПВ1 20-426х4000 51,2 1743,0 951
Подогреватель ВВП 21 (ПВ1 21-530х2000 41,0 430 1562,0 476,4 760 248,4 76,3
Подогреватель ВВП 22 (ПВ1 22-530х4000 83,0 2649,0 1343

В подогревателе воды типа ПВ применяется теплообменная трубка диаметром 16мм и толщиной стенки 0,5 мм – нержавеющая сталь, 0,8мм – латунь. При наличии особых требований Заказчика возможно применение теплообменных трубок с иным диаметром и иной толщины стенки.

Габаритные и присоединительные размеры

Обозначение Dн, мм L, мм L1, мм L2, мм K, мм H, мм D, мм d, мм Масса 1-й секции, кг Масса калача, кг Масса перехода, кг
Подогреватель ВВП 01-57-2000 57 2225 2000 140 150 200 160 145 24 5,4 4,5
Подогреватель ВВП 02-57-4000 4225 4000 37
Подогреватель ВВП 03-76-2000 76 2256 2000 150 200 180 160 33 8,9 5,5
Подогреватель ВВП 04-76-4000 4256 4000 63
Подогреватель ВВП 05-89-2000 89 2320 2000 160 240 195 180 40 10,8 6,8
Подогреватель ВВП 06-89-4000 4320 4000 65
Подогреватель ВВП 07-114-2000 114 2350 2000 170 300 215 195 58 16,2 8,5
Подогреватель ВВП 08-114-4000 4350 4000 98
Подогреватель ВВП 09-159-2000 159 2490 2000 190 400 280 245 111 34,8 14,4
Подогреватель ВВП 10-159-4000 4490 4000 190
Подогреватель ВВП 11-219-2000 219 2610 2000 150 210 500 335 280 173 56,0 19,0
Подогреватель ВВП 12-219-4000 4610 4000 302
Подогреватель ВВП 13-273-2000 273 2800 2000 190 240 600 405 335 262 81,0 27,3
Подогреватель ВВП 14-273-4000 4800 4000 462
Подогреватель ВВП 15-325-2000 325 2800 2000 265 600 460 390 338 108,0 30,2
Подогреватель ВВП 16-325-4000 4800 4000 595
Подогреватель ВВП 17-377-2000 377 3050 2000 230 290 700 520 440 430 174,5 49,0
Подогреватель ВВП 18-377-4000 5050 4000 766
Подогреватель ВВП 19-426-2000 426 3200 2000 330 700 580 500 540 202,0 61,0
Подогреватель ВВП 20-426-4000 5200 4000 951
Подогреватель ВВП 21-530-2000 530 3480 2000 340 350 900 670 615 760 248,4 76,3
Подогреватель ВВП 22-530-4000 5480 4000 1343

Размеры в таблице указаны справочно. Допускается незначительное отклонение фактических размеров и величин. Дополнительную информацию уточняйте в отделе продаж по координатам на странице КОНТАКТЫ.

Качество и гарантийные обязательства

Качество водоводяных подогревателей подтверждено декларацией соответствия Таможенного союза ТР ТС 010/2011 «О безопасности машин и оборудования». С документами о качестве Вы можете ознакомиться на странице ДОКУМЕНТАЦИЯ.

Продукция изготавливается из нового сырья и материалов, с соблюдением требований о безопасности и качестве. Производитель несет гарантийные обязательства на подогреватель воды в течение 12 месяцев с момента ввода подогревателя в эксплуатацию, но не более 18 месяцев с момента отгрузки товара.

Как купить подогреватель воды ВВП?

Для приобретения кожухотрубного секционного теплообменного аппарата необходимо направить в отдел продаж запрос, с указанием модели (обозначние) подогревателя, количество секций, указать потребность в калачах или переходах. К запросу также требуется приложить реквизиты организации.

Вы также можете направить заказ на продукцию с помощью специальной формы  – ОТПРАВИТЬ ЗАЯВКУ на сайте.

Доставка продукции осуществляется во все регионы РФ транспортными компаниями. По умолчанию, стоимость транспортных расходов не включена в цену товара и оплачивается дополнительно. Возможна доставка в страны Таможенного союза ЕАЭС (Армения, Белоруссия, Казахстан, Киргизия).