Циклон СИОТ-М представляет собой альтернативную модель циклона СИОТ. М – означает модернизированный. От стандартных циклонов СИОТ, модернизированные отличаются наивысшей эффективностью и наличием изменений в конструкции.
Применение: для грубой очистки воздуха и газов образуемых при различных технологических процессах от сухой неслипающейся, необразивной пыли.
Высокоэффективный циклон СИОТ-М: описание
Модернизированные циклоны СИОТ-М рекомендуется применять при начальной запыленности воздуха не превышающей 300 г/м3. От стандартной модели СИОТ, модернизированные отличаются повышенной эффективностью очистки. В модельном ряду модернизированных циклонов представлено, дополнительно, три модели большого диаметра Ду1000 (СИОТ-М №8), Ду1200 (СИОТ-М №9), Ду1400 (СИОТ-М №10).
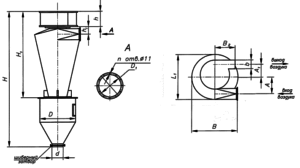
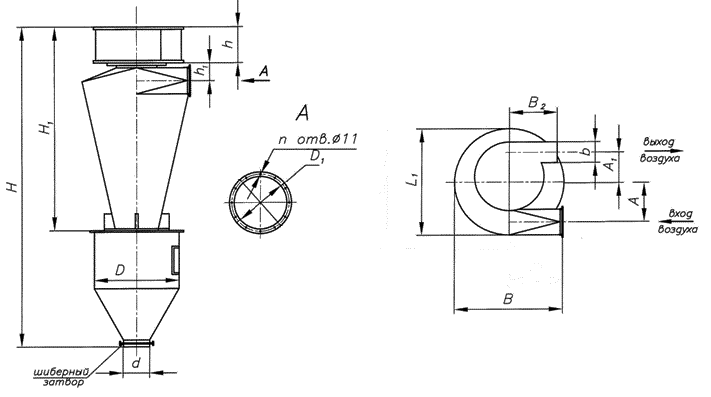
Также у данной модели имеются конструктивные изменения, которые выражаются в применении вместо раскручивателя с винтовой крышкой – камеры очищенного газа в виде улитки, уменьшена высота корпуса, при этом, увеличен диаметр пылевыпускного отверстия, увеличенная толщина стенок корпуса.
Наличие глухой цилиндрической вставки между корпусом и бункером циклона снижает скорость воздушного потока в нижней части корпуса и бункера, вследствие этого снижается вынос пыли вторичным воздушным потоком более чем в два раза.
Основные рабочие параметры
| Скорость очищаемого воздушного потока на входе в завихритель | 15 м/с |
| Температура рабочей среды (воздушного потока), не более | 400 °С |
| Начальная запыленность воздуха, не более | 300 г/м3 |
Технические характеристики циклонов СИОТ-М
Основные элементы конструкции пылеулавливающего аппарата: корпус, улитка, бункер, входной патрубок, выхлопная труба. В таблице отражены основные габаритные размеры и технические характеристики модельного ряда скоростных промывателей СИОТ-М. Обратите внимание! Размеры указаны для справок. Фактический размер готового изделия может незначительно отличаться.
| Обозначение | Производительность по воздуху, м3/ч | D, мм | Н, мм | D1,мм | d,мм | Масса, кг |
| Циклон СИОТ-М №1 | 1500 | 703 | 2075 | 170 | 170 | 138 |
| СИОТ-М №2 | 3000 | 1015 | 2895 | 245 | 220 | 248 |
| Циклон СИОТ-М №3 | 4500 | 1242 | 3479 | 300 | 270 | 357 |
| СИОТ-М №4 | 6000 | 1428 | 3950 | 345 | 300 | 450 |
| Циклон СИОТ-М №5 | 7500 | 1593 | 4302 | 385 | 360 | 556 |
| СИОТ-М №6 | 8500 | 1698 | 4576 | 410 | 380 | 675 |
| Циклон СИОТ-М №7 | 10000 | 1943 | 4906 | 415 | 410 | 760 |
| СИОТ-М №8 | 12500 | 1015 | 5423 | 495 | 450 | 945 |
| Циклон СИОТ-М №9 | 15000 | 1242 | 5944 | 545 | 490 | 1125 |
| СИОТ-М №10 | 17500 | 1428 | 6334 | 585 | 530 | 1285 |
Циклоны производства ЗТО Свердловский поставляются в комплекте с паспортом (руководством по эксплуатации), а также копией декларации о соответствии Таможенного союза ТР ТС 010/2011 “О безопасности машин и оборудования”. Со всеми документами о качестве на продукцию Вы можете ознакомиться на странице ДОКУМЕНТАЦИЯ.
Как заказать и купить циклон СИОТ-М?
Вы можете заказать пылеуловитель на нашем сайте с помощью формы ОТПРАВИТЬ ЗАЯВКУ или уточнить цену на циклон СИОТ-М в отделе продаж по электронной почте zakaz@ztosv.ru и по другим координатам на странице КОНТАКТЫ. В ответ на Ваш запрос будет направлено ценовое предложение с указанием актуального срока изготовления продукции.
Доставка осуществляется в города и регионы РФ транспортными компаниями. Стоимость транспортных расходов, по умолчанию, не входит в цену товара и рассчитывается дополнительно.
Вас также могут заинтересовать другие циклоны типа СИОТ:
Циклон СИОТ |
Циклон СИОТ-М1 |

