Циклон СИОТ-М1 является усовершенствованной конфигурацией циклона для очистки воздуха, который также называют скоростной промыватель СИОТ серия 5.907-1. Особенностью данной модели является более высокая эффективность пылеулавливания и увеличенные показатели производительности.
Применение: для очистки воздуха и газо-воздушной смеси от сухой пыли
Скоростные промыватели СИОТ-М1: функциональные особенности
Циклоны СИОТ-М1 являются устройствами для грубой и средней очистки потока, выделяемого при различных производствах воздуха (газа). Следует учитывать, что данный тип пылеулавливающего оборудования не может использоваться для слипающейся, абразивной пыли, а также при наличии взрывоопасных свойств рабочей среды.
Преимущества данной модернизированной модели циклона заключается в улучшенной конструкции, которая позволяет упростить процесс изготовления, монтажа и эксплуатации.
При наличии конструктивных отличий от своих собратьев из модельного ряда СИОТ, модель М1 не имеет значительных отличий в условиях и характеристиках рабочей среды (см.таблицу).
| Скорость очищаемого воздушного потока на входе в завихритель | 15 м/с |
| Температура рабочей среды (воздушного потока), не более | 400 °С |
| Начальная запыленность воздуха, не более | 300 г/м3 |
Материальное исполнение – углеродистая сталь марки ст.3. Толщина стенки – 3 мм. Возможно применение иных марок стали, а также иной толщины стенки металла, по усмотрению Заказчика.
Циклон СИОТ-М1: технические характеристики
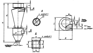
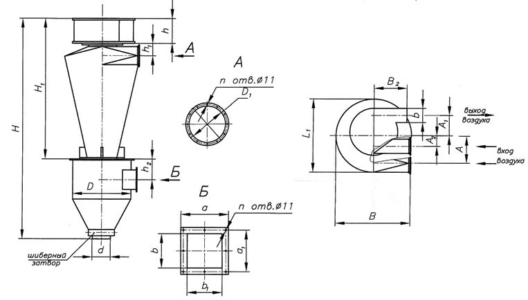
Основные технические характеристики модельного ряда циклонов СИОТ-М1 и габаритные размеры представлены в сводной таблице, расположенной ниже.
| Обозначение | Производительность по воздуху м3/ч | D, мм | Н, мм | D1,мм | d,мм | b, b1,мм | Масса, кг |
| СИОТ-М1 №1 | 2250 | 703 | 2075 | 170 | 170 | 136 | 143 |
| СИОТ-М1 №2 | 4500 | 1015 | 2895 | 245 | 220 | 195 | 257 |
| СИОТ-М1 №3 | 6750 | 1242 | 3479 | 300 | 270 | 240 | 370 |
| СИОТ-М1 №4 | 9000 | 1428 | 3950 | 345 | 300 | 275 | 468 |
| СИОТ-М1 №5 | 11250 | 1593 | 4302 | 385 | 360 | 307 | 578 |
| СИОТ-М1 №6 | 12750 | 1698 | 4576 | 410 | 380 | 328 | 690 |
| СИОТ-М1 №7 | 15000 | 1943 | 4906 | 415 | 410 | 355 | 780 |
| СИОТ-М1 №8 | 18750 | 1015 | 5423 | 495 | 450 | 395 | 962 |
| СИОТ-М1 №9 | 22500 | 1242 | 5944 | 545 | 490 | 435 | 1145 |
| СИОТ-М1 №10 | 26500 | 1428 | 6334 | 585 | 530 | 470 | 1310 |
Каждый циклон СИОТ-М1 в комплекте поставке имеет паспорт (руководство по эксплуатации), копию декларации соответствия регламенту Таможенного союза ТР ТС 010/2011 “О безопасности машин и оборудования”.
Наличие декларации и/или сертификата соответствия подтверждает качество продукции, а также применяемых при изготовлении материалов. Гарантийный срок эксплуатации – до 24 месяцев. Условия гарантийного обслуживания уточняйте в отделе продаж.
Производство циклонов осуществляется в соответствии с типовыми чертежами серии 5.907-1, конструкторской документацией, техническими условиями завода-изготовителя.
Если у Вас возникла потребность купить циклон СИОТ-М1 или другие модели пылеулавливающих аппаратов, Вы можете ОТПРАВИТЬ ЗАЯВКУ на расчет с помощью специальной формы на сайте. Для получения ценового предложения Вы также можете связаться с отделом продаж нашего предприятия по координатам размещенным на странице КОНТАКТЫ.
Вас могут также заинтересовать другие циклоны типа СИОТ:
Циклон СИОТ |
Циклон СИОТ-М |


