Циклоны СЦН-40 представляют собой высокоэффективные устройства для очистки воздуха (газов) от пыли мелкого и среднего размера. Данный тип циклонов зарекомендовал себя благодаря более высокой степени очистки, например, по сравнению с циклонами ЦН-15.
Применение: для сухой очистки технологических газов и воздуха на промышленных предприятиях различных отраслей от пыли средней и малой дисперсности, средний размер которой не превышает 1 мкм.
Циклон СЦН-40: описание и основные рабочие параметры
Высокоэффективные циклоны СЦН-40 могут выпускаться в одиночном и групповом исполнении (в группах по четыре циклона) с правым и левым вращением воздуха относительно входного патрубка в корпусе пылеуловителя.
Эффективность циклона достигается за счет повышения интенсивности вращательного движения газа в корпусе пылеулавливающего аппарата и одновременного снижения скорости радиального стока в направлении к выхлопной трубе.
Допускается применение пылеуловителей данного типа для абразивных частиц, но при условии скорости движения воздушного потока в корпусе циклона не превышающей 18 м/с. Благодаря своей конструкции циклоны СЦН-40 в наименьшей степени подвержены забиванию и износу абразивными частицами.
| Гидравлическое сопротивление при t=20°С | 1000-2000 Па |
| Скорость в входном патрубке циклона | 16 – 24 м/с |
| Условная скорость в сечении корпуса циклона | 1,3 – 1,9 м/с |
| Степень очистки в циклоне диаметром 1000 мм для пыли 10 мкм, при t=20°С | 95% |
| Коэффициент гидравлического сопротивления, отнесенный к сечению корпуса циклона | 1100 |
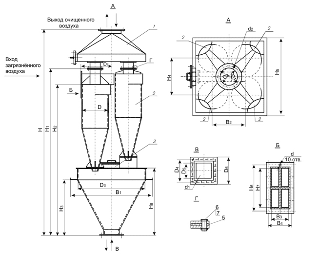
Конструкция пылеулавливающего аппарата зависит от его исполнения (одиночное, групповое). Рассмотрим основные элементы и чертежи общего вида.
![]() |
![]() |
Корпус циклона состоит из конусной и цилиндрической части, входного патрубка, выхлопной трубы. На примере группового циклона можно рассмотреть такие дополнительные элементы, как бункер для сбора пыли (нижняя часть циклона), а также камера очищенного газа в виде сборника (верхняя часть циклона).
Циклон СЦН-40 (одиночное исполнение): технические характеристики и габаритные размеры
| Обозначение | Производительность по воздуху м3/ч | Диаметр, мм | Высота, мм | а, мм | b, мм | Масса, кг |
| СЦН-40-300 | 330-480 | 300 | 1210 | 100 | 48 | 33 |
| СЦН-40-400 | 590-860 | 400 | 1580 | 125 | 62 | 40 |
| СЦН-40-500 | 920-1340 | 500 | 1940 | 150 | 73 | 46 |
| СЦН-40-600 | 1320-1930 | 600 | 2293 | 200 | 98 | 57 |
| СЦН-40-700 | 1800-2630 | 700 | 2642 | 250 | 123 | 69 |
| СЦН-40-800 | 2350-3435 | 800 | 3014 | 300 | 148 | 85 |
| СЦН-40-900 | 2975-4350 | 900 | 3377 | 350 | 173 | 108 |
| СЦН-40-1000 | 3670-5370 | 1000 | 3762 | 400 | 198 | 139 |
| СЦН-40-1100 | 4475-6500 | 1100 | 4098 | 450 | 223 | 178 |
| СЦН-40-1200 | 5290-7730 | 1200 | 4468 | 500 | 248 | 139 |
Групповой циклон СЦН-40: технические характеристики и габаритные размеры
| Обозначение | Производительность по воздуху м3/ч | Диаметр, мм | Высота, мм | Ширина, мм | Масса, кг |
| СЦН-40-300х4 | 1630-1930 | 300 | 1210 | 920 | 200 |
| СЦН-40-400х4 | 2890-3430 | 400 | 1580 | 1150 | 360 |
| СЦН-40-500х4 | 4520-5370 | 500 | 1940 | 1440 | 570 |
| СЦН-40-600х4 | 6500-7730 | 600 | 2293 | 1680 | 1000 |
| СЦН-40-700х4 | 8950-10630 | 700 | 2642 | 1920 | 1380 |
| СЦН-40-800х4 | 11570-13740 | 800 | 3014 | 2140 | 1880 |
| СЦН-40-900х4 | 14650-17400 | 900 | 3377 | 2412 | 2350 |
| СЦН-40-1000х4 | 18100-21480 | 1000 | 3762 | 2662 | 2980 |
| СЦН-40-1100х4 | 21900-26000 | 1100 | 4098 | 2902 | 4880 |
| СЦН-40-1200х4 | 25880-30730 | 1200 | 4468 | 3165 | 5770 |
Производство циклонов СЦН-40 осуществляется в полном соответствии с конструкторской документацией, типовыми чертежами и техническими условиями ТУ 3742-006-45602104-2016.
Качество газоочистного и пылеулавливающего оборудования подтверждено декларацией соответствия Евразийского экономического союза ТР ТС 010/2011 “О безопасности машин и оборудования”.
Как заказать циклон СЦН-40 и другие модели?
Для заказа циклона необходимо определиться с его моделью или иметь чертеж с указанием основных размеров конструкции. В случае, когда отсутствует обозначение модели и необходимо подобрать циклон, учитывая исходные данные степени загрязненности воздуха и производительности, требуется обращаться в проектные организации для расчета.
Вы можете и самостоятельно определить необходимую модель, используя параметры производительности и тип загрязнителя, но в таком случае не может гарантироваться требуемая степень очистки.
После того как Вы определились с моделью, необходимо направить все известные Вам параметры и количество в отдел продаж по координатам на странице КОНТАКТЫ. Предлагаем также для заказа циклона воспользоваться формой ОТПРАВИТЬ ЗАЯВКУ на сайте.
Доставка готовой продукции осуществляется транспортными компаниями в регионы РФ и страны Таможенного союза ЕАЭС. Стоимость доставки, по умолчанию, не входит в цену товара и оплачивается дополнительно. В запросе, по желанию, можно указать необходимость расчета доставки до места установки.

